
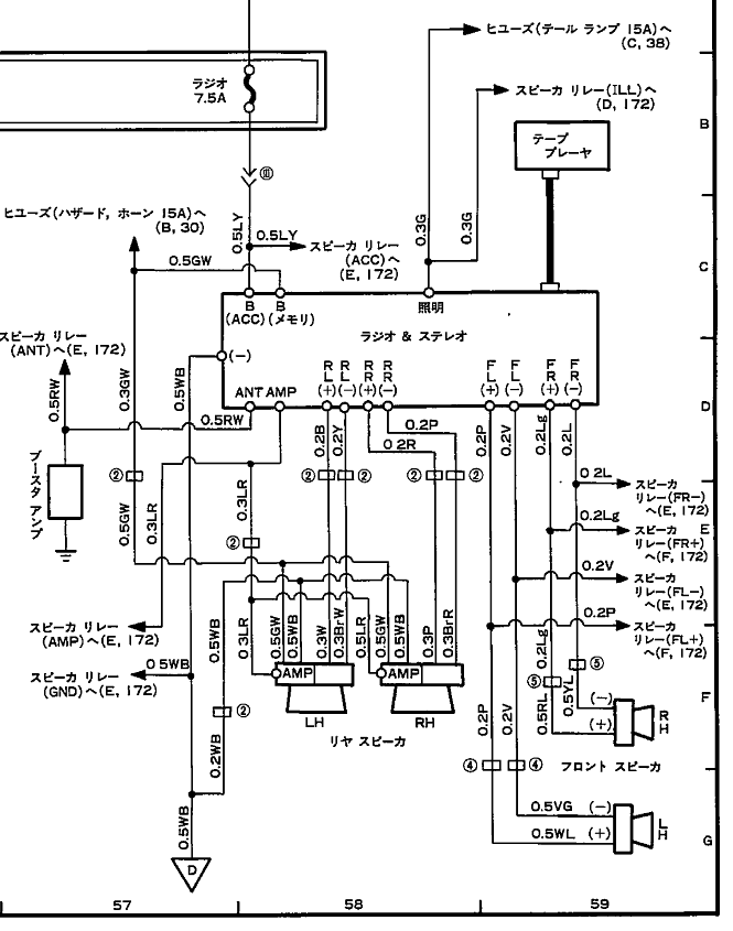
Harness:
- 0.3G - Illumintion
- 0.5GW - Power
- 0.5LY - Accessories
- 0.5WB - Ground
- 0.5RW - Antenna
- 0.5LR - Amplifier
- 0.2B - Rear Left +
- 0.2Y - Rear Left -
- 0.2R - Rear Right +
- 0.2P - Rear Right -
- 0.2P - Front Left +
- 0.2V - Front Left -
- 0.2Lg - Front Right +
- 0.2L - Front Right -
